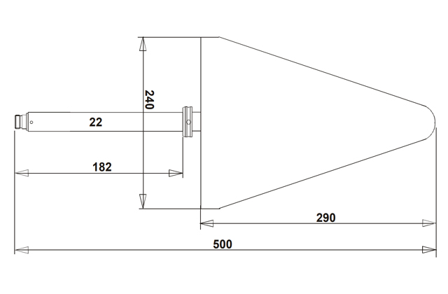
Широкополосная логопериодическая антенна ESLP 9145 фирмы Schwarzbeck предназначена для испытаний на ЭМС в диапазоне частот от 1 до 18 ГГц. Обладает хорошей направленностью и низким КСВН.